Categorías
- Audio
-
Automóvil
- Actuadores
- Adaptadores
- Alarmas y GPS
- Amplificadores
- Antenas
- Arneses
- Bocinas Auto
- Cargadores Auto
- CB
- Conectores de Automóvil
- Convertidores de Impedancia
- Epicentros
- Extensiones
- Focos y Porta Focos Automotriz
- Frentes o Soportes para Autoestereo
- Fusibles y Porta Fusibles Automotriz
- Inversores
- Kits Instalación
- Módulos LED Automóvil
- Supresor de Ruido
- Switches Automóvil
- Terminales Auto
- Transmisores FM y Bluetooth
- Cables
- Celulares
- Computación y Redes
-
Energía
- Abanicos y Aire Acondicionado
- Baterías
- Cargadores
- Cinta de Aislar
- Clavijas, Contactos y Adaptadores
- Conectores
- Elevadores y Reductores
- Extensiones
- Focos y Porta Focos
- Fuentes
- Fusibles y Porta Fusibles
- Interlocks
- Multicontactos
- Probador de Voltaje y Corriente
- Reguladores de Voltaje
- Relevadores
- Switches
- Terminales
- Transformadores
- Timbres y Campanas
- Varistores y Termistores
- Ventiladores Energía
- Herramientas
- Iluminación
-
Proyectos y Robótica
- Adaptadores
- Aislantes y Soportes
- Arduino Genéricos
- Bases y Micas
- Baterías Robótica
- Buzzer
- Cajas para Proyectos
- Celdas Solares
- Conectores de Robótica
- Cristales
- Kits
- Engranes
- Extensiones de Robótica
- Carro Robot, Montajes
- Herramientas Proyectos
- Hoja de Símbolos o Master Circuit
- Imanes
- Joysticks
- Llantas
- Módulos
- Motores
- Optoelectrónica
- Pastilla Micrófonos
- Placas Circuito Impreso y Cloruro Férrico
- Potenciómetros y Presets
- Protoboard
- Raspberry
- Switches Proyectos
- Sensores
- Semiconductores
- Teclados
- Transformadores
- Wireless
- Semiconductores
- Tv y Video
- Telefonía
Artículos
Newsletter
Recibe promociones, descuentos y noticias.
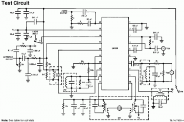
LM1868
CIRLM1868
Descripción
Circuito Integrado LM1868 diseñado para su uso en aplicaciones de sistema de radio.
Especificaciones
- Encapsulado DIP
- 20 pines
Sustituto
No Aplica
Documentación
Productos Relacionados
-
Cautín Tipo Lápiz 30 Watts con ...
$ 129.00 -
Pinza para Desforrar Cable 26-...
$ 165.00 -
Transistor TK15A50D Mosfet TO22...
$ 35.00 -
Sensor de Pulso y Concentracion...
$ 65.00 -
Juego de Conectores Jack y Plug...
$ 25.00 -
Sensor de Presión Barométrica B...
$ 22.00 -
Rollo Soldadura 200 gr con Alea...
$ 335.00 -
Rollo Soldadura 40 gr con Aleac...
$ 105.00 -
Varistor MOV-07D271K 175 V 18 ...
$ 9.00 -
Cargador de USB para Corriente ...
$ 78.00 -
Switch Balancín Enclave Encendi...
$ 20.00 -
Switch Balancín 20A/125V 15A/25...
$ 35.00 -
Switch Push 3A 240 V 1 Polo, 1 ...
$ 68.00 -
Switch Balancín Doble 20A/125V ...
$ 27.00 -
Chasis para Carro Robot 2WD
$ 35.00 -
Módulo Amplificador de Audio 40...
$ 98.00 -
Transistor 2SB1587 Potencia
$ 40.00 -
Ducto Tipo Espiral 3/8" Negro
$ 8.00 -
Cable 1.8 m Plug USB-A a Plug U...
$ 38.00 -
Mini Motor de Bomba de Aire Var...
$ 150.00 -
Adaptador Plug Lighting a Jack ...
$ 79.00 -
Adaptador Plug USB-C a Jack 3....
$ 30.00 -
Hub 4 Puertos USB-A 700-080
$ 95.00 -
Cable 1.95 m Plug USB-A a Plug ...
$ 50.00 -
Cable 1 m Plug USB C a Plug Lig...
$ 45.00 -
Kit con 140 Alambres Tipo Jumpe...
$ 50.00 -
Batería Recargable 18650 3.7 V ...
$ 90.00 -
Batería Recargable 9 V 300 mA N...
$ 165.00 -
Ratón Inalámbrico USB Óptico 11...
$ 128.00 -
Ducto Tipo Espiral 1/2" Negro
$ 7.00 -
Terminal Block 3 Tornillos 15 ...
$ 5.00 -
Módulo Led 5 mm Bicolor Rojo-Verde
$ 26.00 -
Terminal Block 3 Tornillos 2.3c...
$ 5.00 -
Módulo Sensor de Temperatura T...
$ 36.00 -
Mini Motor de Bomba de Agua R385
$ 95.00 -
Módulo Sensor de Humedad y Temp...
$ 36.00 -
Plug 3.5 mm 3 Bandas para Exten...
$ 15.00 -
TDA7293
$ 390.00 -
Relevador 12 V 30 A SLI-12VDC-...
$ 125.00 -
Optoacoplador PS9631 Salida Cir...
$ 35.00 -
Buzzer 5 V 1.2 cm Pasivo
$ 5.00 -
Juego de Conectores Macho-Hembr...
$ 28.00 -
Juego de Conectores Macho-Hembr...
$ 28.00 -
Juego de Conectores Macho-Hembr...
$ 42.00 -
Juego de Conectores Macho-Hembr...
$ 28.00 -
Adaptador HDMI Jack a Plug Micr...
$ 35.00 -
Conector USB Jack USB-C 6 Pines...
$ 4.00 -
Arnés para Autoestéreo Jensen, ...
$ 95.00 -
Cable "Y" 0.10 m Plug RCA a 2 J...
$ 19.00

Comentarios