Categorías
- Audio
-
Automóvil
- Actuadores
- Adaptadores
- Alarmas y GPS
- Amplificadores
- Antenas
- Arneses
- Bocinas Auto
- Cargadores Auto
- CB
- Conectores de Automóvil
- Convertidores de Impedancia
- Epicentros
- Extensiones
- Focos y Porta Focos Automotriz
- Frentes o Soportes para Autoestereo
- Fusibles y Porta Fusibles Automotriz
- Inversores
- Kits Instalación
- Módulos LED Automóvil
- Supresor de Ruido
- Switches Automóvil
- Terminales Auto
- Transmisores FM y Bluetooth
- Cables
- Celulares
- Computación y Redes
-
Energía
- Abanicos y Aire Acondicionado
- Baterías
- Cargadores
- Cinta de Aislar
- Clavijas, Contactos y Adaptadores
- Conectores
- Elevadores y Reductores
- Extensiones
- Focos y Porta Focos
- Fuentes
- Fusibles y Porta Fusibles
- Interlocks
- Multicontactos
- Probador de Voltaje y Corriente
- Reguladores de Voltaje
- Relevadores
- Switches
- Terminales
- Transformadores
- Timbres y Campanas
- Varistores y Termistores
- Ventiladores Energía
- Herramientas
- Iluminación
-
Proyectos y Robótica
- Adaptadores
- Aislantes y Soportes
- Arduino Genéricos
- Bases y Micas
- Baterías Robótica
- Buzzer
- Cajas para Proyectos
- Celdas Solares
- Conectores de Robótica
- Cristales
- Kits
- Engranes
- Extensiones de Robótica
- Carro Robot, Montajes
- Herramientas Proyectos
- Hoja de Símbolos o Master Circuit
- Imanes
- Joysticks
- Llantas
- Módulos
- Motores
- Optoelectrónica
- Pastilla Micrófonos
- Placas Circuito Impreso y Cloruro Férrico
- Potenciómetros y Presets
- Protoboard
- Raspberry
- Switches Proyectos
- Sensores
- Semiconductores
- Teclados
- Transformadores
- Wireless
- Semiconductores
- Tv y Video
- Telefonía
Artículos
Newsletter
Recibe promociones, descuentos y noticias.
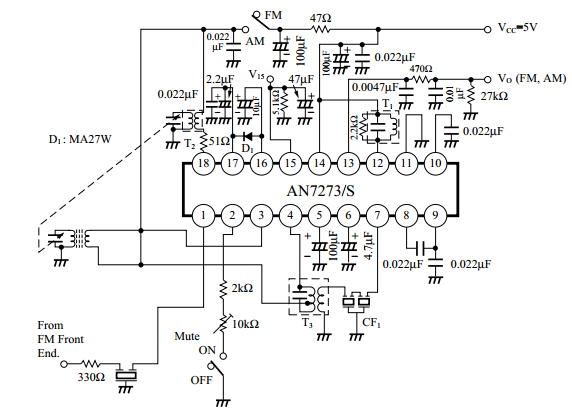
AN7273
CIRAN7273
Descripción
El AN7273 y el AN7273S son los circuitos integrados diseñados para el sintonizador estéreo de alta fidelidad. Funcionan con pin de señal de parada además de la función AN7223S.
- Salida del medidor de nivel (uso común FM-AM)
- Salida de señal de parada (para sintonizador de sintetizador)
- AM: incluye amplificador de RF y alta sensibilidad
- Bajo consumo de energía
- Bajo nivel de ruido de choque desde el funcionamiento del interruptor de función
- Menos piezas externas
Especificaciones
- Suministro de voltaje: 14.4 V
- Suministro de corriente total máxima: 30 mA
- Disipación de potencia Pd: 317 mW
- Temperatura de operación mínima: -20°C
- Temperatura de operación máxima: 75°C
- Encapsulado DIP
- 18 pines
Sustituto
No Aplica
Documentación
Productos Relacionados
-
Transistor TIP146T TO220
$ 18.00 -
Transistor TIP29C TO220
$ 24.00 -
Transistor KTA1046Y TO220
$ 25.00 -
Transistor 2SD1390 TO220
$ 32.00 -
Transistor 2SD313 TO220
$ 19.00 -
Transistor 2SC5885 TO220
$ 25.00 -
Transistor 2SC6090LS TO220
$ 49.00 -
Transistor 2SC1398 TO220
$ 21.00 -
Transistor 2SC1014 TO220
$ 21.00 -
Transistor BUL128A TO220
$ 17.00 -
Transistor BUL931T TO220
$ 22.00 -
Transistores 2SA68063 TO220
$ 192.00 -
Transistores BU407 TO220
$ 20.00 -
Transistores 2SA1444 TO220
$ 16.00 -
Transistores 2SA769 TO220
$ 14.00 -
Transistores 2SA699 TO220
$ 40.00 -
Transistores 2SA634 TO220
$ 19.00 -
Transistor 2SB1560 Potencia
$ 60.00 -
Transistor MJ15023G ON Potencia
$ 410.00 -
Transistor TIP146 Potencia
$ 80.00 -
Transistor TIP140 Potencia
$ 75.00 -
Transistor J6812 Potencia
$ 50.00 -
Transistor MJ11032 ON Potencia
$ 335.00 -
Transistor 2SD1396 Potencia
$ 65.00 -
Transistor WJ176 Potencia
$ 58.00 -
Transistor 2SD188A Potencia
$ 100.00 -
Transistor 2SD130 Potencia
$ 24.00 -
Transistor 2SC5426 Potencia
$ 36.00 -
Transistor 2SC5682 Potencia
$ 50.00 -
Transistor 2SC5589 Potencia
$ 75.00 -
Cautín Tipo Lápiz 60 Watts 110-159
$ 120.00 -
Transistor 2SC2800 Potencia
$ 85.00 -
Transistor 2SC3264 Potencia
$ 90.00 -
Transistor 2SC2908 Potencia
$ 41.00 -
Transistor 2SC2199 Potencia
$ 68.00 -
Transistor BU2527 Potencia
$ 55.00 -
Transistor 2SC1431 Potencia
$ 147.00 -
Transistor 2SC1664 Potencia
$ 26.00 -
Transistor 2SC1768 Potencia
$ 138.00 -
Transistor 2SC1875 Potencia
$ 45.00 -
Transistor 2SC940 Potencia
$ 65.00 -
Transistor 2SC937 Potencia
$ 120.00 -
Transistor 2SC1025 Potencia
$ 48.00 -
Transistor BUW11A Potencia
$ 58.00 -
Transistor 2SB828 Potencia
$ 58.00 -
Transistor 2SA1633 Potencia
$ 140.00 -
Transistor 2SA1673 Potencia
$ 95.00 -
Transistor 2SA1493 Potencia
$ 150.00 -
Transistor 2SB405 Potencia
$ 138.00

Comentarios