Categorías
- Audio
-
Automóvil
- Actuadores
- Adaptadores
- Alarmas y GPS
- Amplificadores
- Antenas
- Arneses
- Bocinas Auto
- Cargadores Auto
- CB
- Conectores de Automóvil
- Convertidores de Impedancia
- Epicentros
- Extensiones
- Focos y Porta Focos Automotriz
- Frentes o Soportes para Autoestereo
- Fusibles y Porta Fusibles Automotriz
- Inversores
- Kits Instalación
- Módulos LED Automóvil
- Supresor de Ruido
- Switches Automóvil
- Terminales Auto
- Transmisores FM y Bluetooth
- Cables
- Celulares
- Computación y Redes
-
Energía
- Abanicos y Aire Acondicionado
- Baterías
- Cargadores
- Cinta de Aislar
- Clavijas, Contactos y Adaptadores
- Conectores
- Elevadores y Reductores
- Extensiones
- Focos y Porta Focos
- Fuentes
- Fusibles y Porta Fusibles
- Interlocks
- Multicontactos
- Probador de Voltaje y Corriente
- Reguladores de Voltaje
- Relevadores
- Switches
- Terminales
- Transformadores
- Timbres y Campanas
- Varistores y Termistores
- Ventiladores Energía
- Herramientas
- Iluminación
-
Proyectos y Robótica
- Adaptadores
- Aislantes y Soportes
- Arduino Genéricos
- Bases y Micas
- Baterías Robótica
- Buzzer
- Cajas para Proyectos
- Celdas Solares
- Conectores de Robótica
- Cristales
- Kits
- Engranes
- Extensiones de Robótica
- Carro Robot, Montajes
- Herramientas Proyectos
- Hoja de Símbolos o Master Circuit
- Imanes
- Joysticks
- Llantas
- Módulos
- Motores
- Optoelectrónica
- Pastilla Micrófonos
- Placas Circuito Impreso y Cloruro Férrico
- Potenciómetros y Presets
- Protoboard
- Raspberry
- Switches Proyectos
- Sensores
- Semiconductores
- Teclados
- Transformadores
- Wireless
- Semiconductores
- Tv y Video
- Telefonía
Artículos
Newsletter
Recibe promociones, descuentos y noticias.
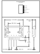
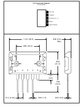
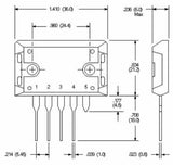
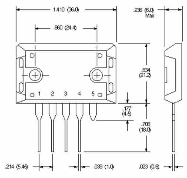
STR3115
CIRSTR3115
Descripción
Circuito Integrado STR3115 diseñado para su uso como regulador de voltaje de 115 V 1 A.
Especificaciones
- Encapsulado SIP
- 4 pines
Sustituto
NTE15018
Documentación
Productos Relacionados
-
015-786
$ 150.00 -
24C01A-PI27 Memoria EEPROM
$ 15.00 -
24C02C-I/SN Memoria EEPROM Supe...
$ 20.00 -
24C08B-PU Memoria EEPROM
$ 33.00 -
24C08W6 Memoria EEPROM
$ 12.00 -
24C08WI-G Memoria EEPROM
$ 12.00 -
24LC01B/P Memoria EPROM
$ 20.00 -
24LC02B1/P Memoria EPROM
$ 31.00 -
24LC04B-I/P Memoria EPROM
$ 12.00 -
24LC16B-I/P Memoria EPROM
$ 16.00 -
24LC32A-I/P Memoria EPROM
$ 21.00 -
24WC04LI Memoria EPROM
$ 13.00 -
27C020-12 Memoria CMOS EPROM
$ 90.00 -
426-49
$ 454.00 -
74HC00D CMOS 4 Compuertas NAND ...
$ 8.00 -
74HC00P CMOS 4 Compuertas NAND ...
$ 17.00 -
74HC02D CMOS 4 Compuertas Posit...
$ 19.00 -
74HC02P CMOS 4 Compuertas Posit...
$ 19.00 -
74HC126 CMOS Búfer de Bus 4 Com...
$ 13.00 -
74HC138N CMOS Decoder/Demultipl...
$ 28.00 -
74HC14D CMOS Seis Inversores Sc...
$ 10.00 -
74HC14N CMOS Seis Inversores Sc...
$ 21.00 -
74HC164N CMOS Registro de Corri...
$ 23.00 -
74HC174N CMOS Flip-Flop D
$ 25.00 -
74HC27N CMOS Triple 3-Input NOR...
$ 49.00 -
74HC32 CMOS Cuatro Compuertas O...
$ 26.00 -
74HC373D CMOS Ocho Compuertas T...
$ 24.00 -
74HC373N CMOS Ocho Compuertas D...
$ 29.00 -
74HC390N CMOS Decade Ripple Cou...
$ 60.00 -
74HC4050E CMOS Hex Buffer / Con...
$ 13.00 -
74HC423D CMOS Multivibrador Mono
$ 15.00 -
74HC573AN CMOS Octal D-Latch 3-...
$ 32.00 -
74HC595D,118 CMOS Registro de A...
$ 12.00 -
74HC595N CMOS Registro de Despl...
$ 10.00 -
74HC86D TTL Cuatro Compuertas O...
$ 14.00 -
74HCT08D,652 CMOS Compuerta Qua...
$ 19.00 -
74LS00 TTL 4 Compuertas NAND de...
$ 8.00 -
74LS01 TTL Cuatro Compuertas co...
$ 26.00 -
74LS02 TTL Compuerta NOR Cuádr...
$ 9.00 -
74LS03 TTL Cuatro Compuertas NA...
$ 35.00 -
74LS04 TTL Compuerta NOT con 6 ...
$ 8.00 -
74LS05 TTL Seis Inversores Col...
$ 28.00 -
74LS06 TTL Hex Inverter Buffer/...
$ 26.00 -
74LS07 TTL 6 Buffer/Driver C/Co...
$ 20.00 -
74LS08 TTL Compuerta AND con Do...
$ 8.00 -
74LS09 TTL Cuatro Compuertas AN...
$ 13.00 -
74LS09DR TTL Cuatro Compuertas ...
$ 38.00 -
74LS10 TTL Tres Compuertas NAND...
$ 14.00 -
74LS107 = 733W00103 TTL Dual J-...
$ 35.00

Comentarios